Abstrak
Penemuan saat ini mengungkap proses presisi ultra diameter luar rol bulat, dengan langkah-langkah spesifik sebagai berikut: pertama, menurut ukuran benda kerja, setelah debugging, spesifikasi aksesori alat mesin yang berbeda dipilih; Langkah 2, nyalakan catu daya utama dan pompa pendingin alat mesin, dan pilih status kerja; Langkah ketiga, sesuaikan alat mesin dan atur parameternya; Langkah 4, pemuatan, gunakan silinder bongkar mekanisme pemuatan dan pembongkaran untuk menyelesaikan pemuatan; Langkah kelima, mekanisme transmisi benda kerja menggerakkan rol untuk berputar, mekanisme ayun berayun, dan mekanisme presisi ultra melompat ke posisi pemesinan; Langkah 6, mekanisme presisi ultra kasar dan presisi; Langkah 7, hentikan mekanisme presisi ultra, mekanisme ayun, dan mekanisme transmisi benda kerja; Langkah 8, pemotongan material, gunakan mekanisme bongkar muat untuk pemotongan material. Penemuan saat ini memiliki masa pakai yang lama; Nilai kekasaran relatif kecil, setelah presisi ultra, Ra adalah 0.05 μ m, kebulatan meningkat sebesar 30%,<1 μ m, waviness decreases by 30%,<1 μ m; The spherical roller after ultra precision is installed on the elevator bearing, and the noise is reduced by 30% compared to before ultra precision, meeting the user's requirements.
Keterangan
Teknologi super presisi untuk diameter luar rol bulat
Tbidang teknik
Penemuan saat ini berkaitan dengan bidang teknologi pemrosesan komponen, khususnya bidang teknologi pemrosesan rol bulat.
Teknologi latar belakang
Terdapat empat jenis elemen rol yang digunakan pada bantalan rol, yaitu bola, rol silinder, rol tirus, dan rol bulat. Untuk mencapai akurasi putaran yang baik, kebisingan yang rendah, masa pakai yang lama, dan stabilitas yang baik, elemen rol perlu dikerjakan dengan sangat presisi untuk meningkatkan kebulatan, kekasaran permukaan, dan kelengkungannya, sehingga mengurangi kebisingan pengoperasian bantalan dan memperpanjang masa pakainya. Saat ini, Tiongkok pada dasarnya telah memecahkan masalah pemesinan presisi ultra untuk rol bulat, silinder, dan tirus, tetapi belum memecahkan masalah teknologi presisi ultra untuk diameter luar rol bulat. Saat ini, rol bulat domestik hanya dapat diproses dengan pemolesan untuk mengurangi nilai kekasaran permukaan rol, dan nilai kekasarannya juga relatif besar, umumnya sekitar Ra 0.2 μ m. Selain itu, proses ini menyebabkan kerusakan pada permukaan rol, menghasilkan lubang, dan meningkatkan tekanan termal pada permukaan rol. Rol rentan terhadap korosi, yang mengurangi masa pakai bantalan. Oleh karena itu, pengembangan teknologi permesinan ultra presisi rol bulat, perkakas, dan peralatan merupakan masalah yang harus dipecahkan oleh industri bantalan.
Misalnya, tanggal pengumumannya adalah 22 September 2010, nomor pengumumannya adalah 101502936, dan nama patennya adalah "Peralatan Manufaktur dan Teknologi Pemrosesan untuk Bantalan Rol Bulat". Diungkapkan bahwa peralatan manufaktur tersebut terdiri dari sistem kompensasi pemangkasan otomatis rol berlian, sistem penggilingan umpan otomatis, sistem bongkar muat otomatis, dan sistem CNC. Sistem kompensasi pemangkasan otomatis rol berlian terdiri dari rol berlian, roda penggiling, dan rel pemandu rol. Sistem penggilingan umpan otomatis dapat menyelesaikan semua pekerjaan penggilingan kasar, penggilingan presisi, dan penggilingan akhir pada permukaan rol bulat dan dua talang busur sekaligus; Teknologi pemrosesan spesifiknya adalah: 1. Blanking; 2. Pembubutan presisi kedua ujung; 3. Quenching; 4. Penggilingan halus kedua permukaan ujung; 5. Penggilingan tanpa pusat pada diameter luar; 6. Penggilingan satu kali pada permukaan rol dan talang dua busur lingkaran; 7. Pembersihan demagnetisasi; 8. Getaran tembus cahaya; 9. Pemilihan kelompok; 10. Kemasan berlapis minyak untuk penyimpanan. Kekurangannya terletak pada kekasaran permukaan benda kerja yang diproses dan efisiensi produksi yang rendah. Proses ini berbeda dari proses presisi ultra diameter luar rol. Ini adalah proses penggilingan sebelum presisi ultra, dan proses selanjutnya adalah proses pemrosesan rol yang memenuhi persyaratan teknis akhir.
Sringkasan penemuan
Penemuan saat ini mengatasi kekurangan teknologi yang ada dan menyediakan proses presisi tinggi untuk diameter luar rol bulat dengan nilai kekasaran kecil dan masa pakai yang lama.
Untuk memecahkan masalah teknis yang disebutkan di atas, penemuan saat ini memberikan solusi teknis berikut:
Langkah-langkah spesifiknya adalah sebagai berikut: pertama, menurut ukuran benda kerja, setelah debugging, pilih spesifikasi komponen perkakas mesin yang berbeda; Langkah 2, nyalakan catu daya utama dan pompa pendingin perkakas mesin, dan pilih status kerja; Langkah ketiga, sesuaikan perkakas mesin dan atur parameternya; Langkah 4, pemuatan, gunakan silinder bongkar mekanisme bongkar muat untuk menyelesaikan pemuatan; Langkah kelima, mekanisme transmisi benda kerja menggerakkan rol untuk berputar, mekanisme ayun berayun, dan mekanisme presisi ultra melompat ke posisi pemesinan; Langkah 6, mekanisme presisi ultra kasar dan tepat; Langkah 7, hentikan mekanisme presisi ultra, mekanisme ayun, dan mekanisme transmisi benda kerja; Langkah 8, pemotongan material, gunakan mekanisme bongkar muat untuk pemotongan material.
Selanjutnya, langkah empat hingga delapan merupakan putaran otomatis.
Selanjutnya pada langkah keempat, silinder bongkar muat menggerakkan poros pemandu untuk bergerak ke kiri dan benda kerja dikirim ke mekanisme transmisi benda kerja.
Lebih jauh, mekanisme transmisi benda kerja yang dijelaskan pada langkah kelima terdiri dari motor transmisi, katrol sabuk, sabuk, dan rol pemandu. Motor transmisi menggerakkan rol pemandu untuk berputar melalui sabuk multi-tahap, menggerakkan benda kerja yang jatuh pada rol pemandu untuk bergerak. Setiap rol pemandu dilengkapi dengan satu atau dua stasiun pemrosesan.
Lebih jauh, mekanisme ayunan yang dijelaskan pada langkah lima terdiri dari poros ayun, motor ayun, peredam, katrol, sabuk, mekanisme engkol, batang penghubung, dan batang penghubung pusat. Motor ayun dihubungkan ke mekanisme engkol melalui peredam, dan mekanisme engkol dihubungkan secara berurutan ke batang penghubung dan batang penghubung pusat, dan batang penghubung pusat dihubungkan ke poros ayun.
Lebih jauh lagi, mekanisme engkol dilengkapi dengan slider eksentrik.
Lebih jauh, mekanisme presisi ultra yang dijelaskan pada langkah kelima mencakup kepala presisi ultra, silinder kompensasi keausan batu oli, dan batang penekan. Di bawah aksi batu oli yang melompat ke dalam silinder, batang penarik tengah dari spindel yang berayun mendorong sekrup untuk dengan cepat melompatkan kepala presisi ultra ke benda kerja. Kepala presisi ultra dan batu olinya berayun dengan spindel yang berayun, dan jumlah lompatan disesuaikan oleh sekrup penyetel.
Selanjutnya, pada langkah keenam, baik USG kasar maupun halus diselesaikan oleh mekanisme presisi ultra yang sama.
Selanjutnya, seperti yang dijelaskan pada langkah kedelapan, silinder pemotong bergerak ke kiri lalu ke kanan, dan benda kerja didorong ke kanan untuk memasuki saluran pemotongan untuk pemotongan. Pemrosesan rol pertama selesai.
Dibandingkan dengan teknologi yang ada, penemuan saat ini mempunyai manfaat sebagai berikut:
1. Rol bulat tidak mudah terkorosi, memiliki masa pakai yang lama, kebisingan bantalan rendah, dan akurasi tinggi;
2. Nilai kekasaran relatif kecil, dengan Ra sebesar 0.05 μ m setelah presisi ultra, kebulatan meningkat sebesar 30%,<1 μ m, waviness decreased by 30%,<1 μ m;
3. Rol bulat setelah presisi ultra dipasang pada bantalan elevator, dan kebisingan berkurang 30% dibandingkan sebelum presisi ultra, memenuhi kebutuhan pengguna.
Metode implementasi spesifik
Perwujudan pilihan dari penemuan ini dijelaskan di bawah ini bersama dengan gambar-gambar yang menyertainya. Perlu dipahami bahwa perwujudan pilihan yang dijelaskan di sini hanya dimaksudkan untuk mengilustrasikan dan menjelaskan penemuan ini, dan tidak dimaksudkan untuk membatasi penemuan ini.
Seperti yang ditunjukkan pada Gambar 1, 2, dan 3, proses dan perkakas yang tepat untuk diameter luar rol bulat adalah sebagai berikut:
Pertama, berdasarkan diameter, panjang, dan ukuran lengkung rol yang berbeda, setelah debugging, spesifikasi perlengkapan perkakas mesin yang berbeda dipilih untuk pemesinan presisi tinggi benda kerja guna mencapai persyaratan akurasi rol. Perlengkapan khusus tersebut adalah rol pemandu mekanisme transmisi benda kerja 9 dan kepala presisi tinggi mekanisme presisi tinggi 20, tetapi prinsip kerjanya sama.
Langkah kedua adalah menyalakan catu daya utama dan sistem pendingin pada mesin perkakas, memilih status kerja "otomatis" atau "semi-otomatis" pada mesin perkakas, dan menghubungkan sistem pendingin ke mekanisme ultra presisi melalui sistem perpipaan melalui pompa oli untuk mencapai pendinginan dan pembersihan selama pemesinan ultra presisi.
Langkah ketiga adalah menyesuaikan radius kelengkungan parameter peralatan mesin, dan mengatur kecepatan dan frekuensi yang diperlukan dari mekanisme transmisi benda kerja untuk pemesinan kasar dan halus, serta frekuensi osilasi dan waktu tunda mekanisme presisi ultra.
Langkah 4, pemuatan diselesaikan melalui silinder pembongkaran mekanisme bongkar muat 6.
Seperti yang ditunjukkan pada Gambar 4 dan 5, mekanisme bongkar muat 6 mencakup silinder bongkar muat 1, poros pemandu 2, saluran bongkar muat 3, blok pemblokiran 5, rol 4, dan saluran pemuatan 7. Silinder bongkar muat 1 terhubung secara tetap ke poros pemandu 2, dan silinder bongkar muat 1 menggerakkan poros pemandu 2 untuk bergerak ke kiri dan kanan untuk menyelesaikan bongkar muat; Di sisi kiri poros pemandu 2, ada saluran pengumpanan 3 dan blok pemblokiran 5. Jumlah saluran pengumpanan 3 adalah satu atau dua, dan bagian atas blok pemblokiran 5 dilengkapi dengan saluran keluar untuk saluran pengumpanan 7. Ada rol 4 di saluran pengumpanan 7 yang perlu diproses. Saat memberi makan, poros pemandu 2 bergerak ke kiri di bawah aksi silinder pembongkaran 1, dan rol 4 yang akan diproses jatuh ke rol pemandu 8. Kemudian, silinder pembongkaran 1 bergerak ke kanan, mendorong rol 4 yang sudah sangat halus ke kanan ke saluran pembongkaran 3, dan rol 4 lain yang akan diproses menggantikan rol yang diproses 4 dan mengirimkannya ke posisi pemrosesan. Rol 4 berikutnya yang akan diproses pada saluran pengumpanan 7 selalu berada di permukaan blok pemblokiran 5 dan tidak didorong ke posisi pemrosesan hingga siklus berikutnya. Model rol yang disebutkan di atas adalah 22212CA, dan materialnya adalah GCr15.
Langkah ke-5, mekanisme transmisi benda kerja menggerakkan benda kerja untuk berputar, mekanisme ayunan berayun, dan mekanisme presisi ultra melompat ke posisi pemrosesan benda kerja.
Seperti yang ditunjukkan pada Gambar 6 dan 7, mekanisme transmisi benda kerja 9 mencakup motor transmisi 11, sabuk bergaris ganda 12, katrol 13 dan 14, katrol rol pemandu 10, dan rol pemandu 8. Motor transmisi 11 mengadopsi motor kecepatan variabel AC tiga fase, dan motor transmisi 11 dihubungkan ke katrol 13 melalui sabuk bergaris ganda 12. Katrol 13 dan 14 adalah katrol koaksial, dan katrol 14 menggerakkan satu atau dua katrol rol pemandu 10 untuk berputar melalui sabuk sinkron. Setiap katrol rol pemandu 10 dihubungkan secara tetap ke satu rol pemandu 8, yang menyebabkan rol pemandu 8 berputar secara sinkron dengan katrol 14, yang menggerakkan rol yang jatuh pada rol pemandu 8 untuk berputar. Setiap rol pemandu 8 dilengkapi dengan satu atau dua stasiun kerja, dan rol pemandu dilengkapi dengan satu atau dua stasiun kerja. Bentuk 8 bervariasi tergantung pada rol R yang akan dikerjakan. Rol pemandu 8 memiliki struktur sederhana, pemasangan kartu yang mudah, akurasi tinggi, dan tidak memerlukan proses demagnetisasi. Dalam penemuan saat ini, setiap rol pemandu 8 dapat menggerakkan dua rol bulat, dan satu rol dapat mencapai dua rol presisi ultra. Semakin banyak benda kerja yang dapat mencapai presisi ultra pada saat yang sama, semakin tinggi efisiensi alat mesin.
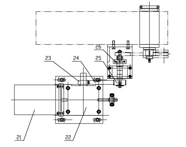
Seperti yang diperlihatkan pada Gambar 8, 9, dan 10, mekanisme ayun 37 mencakup spindel ayun 18, silinder loncat batu oli 16, motor ayun 21, reduktor 22, katrol 23 dan 25, sabuk 24, mekanisme engkol 26, batang penghubung 15 dan 27, dan batang penghubung antara 28. Motor ayun 21 dihubungkan ke reduktor 22, yang ditransmisikan dan dihubungkan ke mekanisme engkol 26 melalui katrol 23 dan 25, dan sabuk 24. Mekanisme engkol 26 dilengkapi dengan slider eksentrik 17. Dengan menyesuaikan posisi radial slider eksentrik 17, sudut ayunan yang berbeda dari spindel ayun 18 dapat disesuaikan. Mekanisme engkol 26 dihubungkan secara berurutan ke batang penghubung 27 dan batang penghubung antara 28, yang dihubungkan ke spindel ayun 18. Penemuan saat ini adalah mesin perkakas dua stasiun, jadi ada dua set spindel ayun 18, yang masing-masing digerakkan oleh batang penghubung antara 28 dan batang penghubung 15. Ada pilar kiri dan kanan pada rangka, yang dipasang dengan spindel ayun 18 dan batu oli yang melompat ke dalam silinder 16. Setiap spindel ayun berhubungan dengan batu oli yang melompat ke dalam silinder 16, dan batang piston batu oli yang melompat ke dalam silinder 16 dihubungkan ke batang tarik sumbu spindel ayun 18.
Seperti yang ditunjukkan pada Gambar 11, mekanisme presisi ultra 20 mencakup kepala presisi ultra 36 dan perangkat kompensasi keausan batu oli. Kepala presisi ultra 36 dihubungkan secara tetap ke ujung kiri spindel ayun 18 melalui lengan ayun 35, sehingga batu oli di kepala presisi ultra 36 dan kotak batu oli 34 dapat berayun dengan spindel ayun 18. Bagian atas kepala presisi ultra 36 dilengkapi dengan silinder kompensasi keausan batu oli 29, dan satu sisi silinder kompensasi keausan batu oli 29 dilengkapi dengan batang penekan 33, yang digunakan untuk menekan batu oli di kotak batu oli 34. Piston di silinder kompensasi keausan batu oli 29 dihubungkan ke batang penekan 33, dan batu oli digerakkan secara vertikal dengan menyesuaikan posisi lubang yang berbeda di pusat ayun untuk memenuhi persyaratan R dari rol yang berbeda; Batu minyak melompat ke benda kerja melalui batang penarik 19 di bagian tengah spindel ayun 18. Di bawah aksi batu minyak yang melompat ke silinder 16 di bagian belakang spindel ayun 18, sekrup 32 didorong untuk membuat kotak batu minyak 34 dengan cepat melompat ke rol di sepanjang pusat ayun 31, sehingga mencapai presisi yang sangat tinggi. Ukuran lompatan disesuaikan dengan sekrup lompatan 30. Kepala presisi yang sangat tinggi 36 mencapai penggerindaan kasar dan halus melalui ayunan batu minyak, yang memungkinkan rol bulat memenuhi persyaratan untuk mengurangi kekasaran permukaan, kelengkungan, dan kebulatan rol, sekaligus secara otomatis mengompensasi keausan batu minyak.
Langkah 6, mekanisme presisi ultra mengalami overshoot kasar. Overshoot kasar berakhir dan beralih ke kecepatan dan frekuensi mekanisme transmisi benda kerja dan frekuensi mekanisme presisi ultra. Overshoot halus dimulai dan terus tertunda hingga waktu yang ditentukan. Penemuan saat ini adalah alat mesin dua stasiun, yang memproses dua benda kerja sekaligus. Waktu pemesinan kasar dan halus adalah 14 detik, dan efisiensi satu benda kerja adalah 7 detik.
Langkah 7, hentikan mekanisme presisi ultra, mekanisme ayunan, dan mekanisme transmisi benda kerja.
Langkah 8, pemotongan, silinder pemotong bergerak ke kiri lalu ke kanan, dan benda kerja didorong ke kanan untuk memasuki saluran pemotongan untuk pemotongan. Pemrosesan benda kerja selesai, dan satu siklus berakhir; Periksa apakah pemrosesan benda kerja telah selesai, lanjutkan pemrosesan benda kerja, dan kembali ke langkah ketiga untuk membentuk sirkuit siklus otomatis; Jika tidak, akhiri pemrosesan.
Penemuan saat ini adalah mesin presisi ultra otomatis penuh yang digunakan untuk memproses diameter luar rol bulat. Spesifikasi peralatan mesin yang berbeda dapat dipilih sesuai dengan diameter, panjang, dan ukuran lengkung rol bulat yang berbeda untuk mencapai pemrosesan presisi ultra, dan prinsip kerjanya konsisten.
Penemuan saat ini dibagi menjadi dua jenis mesin perkakas, dua stasiun kerja (yaitu dua benda kerja yang sangat halus sekaligus) dan empat stasiun kerja (yaitu empat benda kerja yang sangat halus sekaligus). Kecepatan benda kerja dan frekuensi ayunan batu oli yang berbeda ditetapkan masing-masing, dan batu oli yang sama digunakan untuk menyelesaikan pemesinan kasar dan halus pada satu benda kerja.
Mesin perkakas saat ini memiliki dua stasiun kerja, yang berarti memproses dua benda kerja sekaligus. Hasilnya adalah sebagai berikut:
1) Waktu ultrasonik kasar dan halus adalah 14 detik, dan efisiensinya adalah 7 detik per potong saat ini;
2) Presisi ultra adalah 8 μ m di atas diameter;
3) Setelah presisi ultra, Ra adalah 0.05 μ m, kebulatan meningkat sebesar 30%,<1 μ m, waviness decreases by 30%,<1 μ m;
4) Rol presisi ultra dipasang pada bantalan elevator, dan kebisingan berkurang 18% dibandingkan sebelum presisi ultra, memenuhi kebutuhan pengguna.
Uraian di atas hanya untuk tujuan mengilustrasikan perwujudan dari penemuan saat ini dan tidak dimaksudkan untuk membatasinya. Bagi mereka yang ahli dalam bidang ini, segala modifikasi, substitusi yang setara, perbaikan, dll. yang dibuat dalam semangat dan prinsip penemuan saat ini akan dimasukkan dalam ruang lingkup perlindungan penemuan saat ini.
Ilustrasi

Gambar 1 merupakan diagram blok dari proses presisi ultra diameter luar rol bulat dari penemuan saat ini;

Gambar 2 merupakan diagram skematik dari mesin perkakas permesinan presisi ultra berdiameter luar rol bulat dari penemuan saat ini;

Gambar 3 merupakan tampilan penampang melintang dari mesin perkakas permesinan presisi ultra berdiameter luar rol bulat dari penemuan saat ini;

Gambar 4 adalah diagram skematis dari struktur mekanisme bongkar muat dari penemuan saat ini;

Gambar 5 merupakan diagram skema pengumpanan rol dari penemuan saat ini;

Gambar 6 adalah diagram skematis dari struktur mekanisme transmisi benda kerja dari penemuan saat ini;

Gambar 7 adalah tampilan penampang melintang mekanisme transmisi benda kerja dari penemuan saat ini;

Gambar 8 adalah diagram skematis dari struktur mekanisme ayunan dari penemuan saat ini;

Gambar 9 merupakan tampilan penampang melintang mekanisme ayunan penemuan saat ini pada arah AA;

Gambar 10 adalah pandangan atas mekanisme ayunan dari penemuan saat ini;

Gambar 11 adalah diagram skematis dari struktur mekanisme presisi ultra dari penemuan saat ini.
2024 3 JuniRekomendasi Produk WBM Minggu Ini:
Badan drum kerucut presisi untuk kendaraan komersial:
We are proud to announce that Weichuang has successfully developed high-precision tapered rollers with a production capacity of 10 million pieces per month (diameter>13mm). Selain volume produksi yang mengesankan ini, kami masih memiliki sisa kapasitas produksi sebesar 4 juta lembar per bulan. Keberhasilan kami berkat peralatan produksi canggih kami, yang mencakup lima jalur produksi bergulir dan tujuh mesin cold heading (tiga di antaranya dari Amerika Serikat dan empat di antaranya dari dalam negeri). Lebih jauh lagi, kapasitas pengolahan panas kami adalah sembilan ton per hari yang mengesankan. Di Weichuang, kami berupaya keras untuk mencapai keunggulan dalam kemampuan produksi kami dan berkomitmen untuk memenuhi kebutuhan pelanggan kami.

